ME2P-900-43U3M-VF8大恒图像水星二代Plus USB3Vision黑白移轴工业相机
水星二代Plus 900万像素USB3.0接口移轴相机
水星二代Plus 移轴相机镜头与sensor平面角度0~8度可调(水平或垂直), 侧拍时可增加相机景深, 适于需要倾斜拍摄的条件下。ME2P-900-43U3M-VF8相机采用全局曝光的Gpixel GMAX2509 CMOS感光芯片, 通过USB3.0数据接口进行图像数据的传输, 并集成I/O (GPIO) 接口, 提供线缆锁紧装置, 并且相机四面设有螺钉安装孔位,可以在不同结构下灵活安装, 能稳定工作在各种恶劣环境下, 是高可靠性的工业数字相机产品。

水星二代Plus ME2P-U3系列工业相机
应用领域
工业检测、医疗、科研、教育等领域。
功能特性
l 相机镜头与 sensor 平面角度 0~8 度可调(水平或垂直)
l 触发类型:帧开始 / 帧高速连拍开始
l 支持 Gamma、Binning、像素抽样 (Decimation)
l 支持数字移位、黑电平、平场校正、静态坏点校正功能
l 彩色相机支持环境光源预设、颜色转换、饱和度功能
l 黑白相机支持锐化、降噪功能
l 支持查找表、参数组、计数器和定时器功能
l 取消参数范围限制,可扩大曝光、增益等参数的范围值
l 提供 16KB 用户数据区,保存算法系数、参数配置等
光谱曲线

规格参数
型号 | ME2P-900-43U3C-HF8 | ME2P-900-43U3C-VF8 | ME2P-900-43U3M-HF8 | ME2P-900-43U3M-VF8 |
品牌 | 大恒图像 |
系列 | 水星ME2P-U3 |
分辨率 | 4200(H) × 2160(V) |
传感器 | Gpixel 2/3" GMAX2509 Global shutter CMOS |
像元尺寸 | 2.5μm × 2.5μm |
帧率 | 43.5 fps |
模数转换精度 | 12 bit |
像素深度 | 8 bit,12 bit |
倾角方向 | 水平 | 垂直 | 水平 | 垂直 |
光谱 | 彩色 | 黑白 |
图像数据格式 | Bayer RG8 / Bayer RG12 | Mono8 / Mono12 |
信噪比 | 37.15 dB | 36.94 dB |
曝光时间 | 标准:11μs ~ 1s,实际步长:1μs |
增益 | 0dB ~ 16dB;默认值0dB,步长0.1dB |
Binning | 1×1,1×2,1×4,2×1,2×2,2×4,4×1,4×2,4×4 |
像素抽样 | 水平 FPGA,垂直Sensor:1×1,1×2,1×4,2×1,2×2,2×4,4×1,4×2,4×4 |
同步方式 | 外触发,软触发 |
工作方式 | 单帧采集,连续采集,软触发采集,外触发采集 |
镜像翻转 | 水平镜像,垂直镜像 |
I/O接口 | 1 路光耦隔离输入,1 路光耦隔离输出,2 路双向 GPIO |
数据接口 | USB3.0 |
供电要求 | USB3.0接口供电 |
额定功率 | 2.83 W @ 5 VDC |
工作温度 | 0° C ~ +45° C |
存储温度 | -20°C ~ +70°C |
工作湿度 | 10% ~ 80% |
镜头接口 | C/CS |
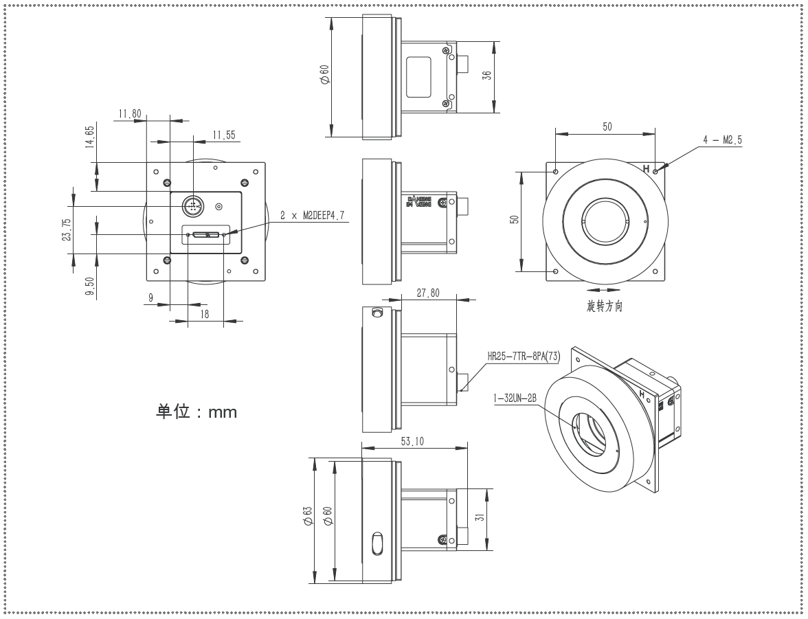
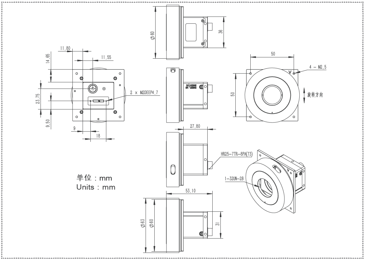
机械尺寸 | 63(W) × 63(H) × 53.1(L) mm(含镜头接口和连接件) |
重量 | 143.8 g |
软件 | 支持 HALCON,MERLIC,VisionPro,LabVIEW 等第三方软件 |
操作系统 | 32bit / 64bit Windows,Linux,Android,ARMv7,ARMv8 |
认证及标准 | CE,RoHS,FCC,ICES,UKCA,USB3 Vision®,GenICam® |
IO接口

机械尺寸

ME2P-900-43U3M/C-HF8(水平可调)

ME2P-900-43U3M/C-VF8(垂直可调)