CCD相机、CMOS相机、面阵相机、线阵相机、科研相机
ME2L-042-121U3M-L大恒图像水星二代Lite USB3工业相机
水星二代Lite 40万像素无I/O黑白工业相机
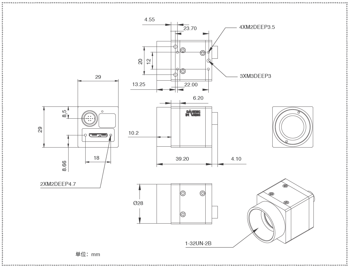
水星二代Lite相机结构紧凑, 外观小巧(29×29mm), 具有高清晰度、低噪声、设计小巧、安装及使用方便等特点。ME2L-042-121U3M-L采用全局曝光的Sony IMX297 CMOS感光芯片, 通过USB3.0数据接口进行图像数据的传输,提供线缆锁紧装置, 能稳定工作在各种恶劣环境下, 是高可靠性的工业数字相机产品。相比ME2L-042-121U3M型号来说, ME2L-042-121U3M-L取消了I/O接口, 因此质量更轻更具性价比。

水星ME2L-U3(-L)系列工业相机
应用领域
工业检测、医疗、科研、教育等领域。
功能特性
l 支持 ROI、增益、自动增益、曝光、自动曝光
l 可输出多种格式图像数据:Mono8 / Mono10 / Bayer RG8 / Bayer RG10
l 支持水平镜像和垂直镜像功能
l 彩色型号相机支持白平衡、自动白平衡
l 彩色型号相机支持环境光源预设功能,并提供 Off模式和四种指定常见色温光源模式
l 参数组功能
l 提供 16KB 用户数据区,保存算法系数、参数配置等
光谱曲线

规格参数
型号 | ME2L-042-121U3C(-L) | ME2L-042-121U3M(-L) |
品牌 | 大恒图像 | |
系列 | 水星ME2L-U3-L | |
分辨率 | 720(H) × 540(V) | |
传感器 | Sony 1/2.9" IMX297 Global shutter CMOS | |
像元尺寸 | 6.9μm × 6.9μm | |
帧率 | 121.8 fps | |
模数转换精度 | 10 bit | |
像素深度 | 8 bit,10 bit | |
光谱 | 彩色 | 黑白 |
图像数据格式 | Bayer RG8 / Bayer RG10 | Mono8 / Mono10 |
信噪比 | 43.55 dB | 43.57 dB |
曝光时间 | 标准:20μs ~ 1s,实际步长:1 行周期 | |
增益 | 0dB ~ 24dB;默认值0dB,步长0.1dB | |
Binning | 不支持 | |
像素抽样 | 不支持 | |
同步方式 | 外触发,软触发(-L型号无外触发) | |
工作方式 | 连续采集,软触发采集,外触发采集(-L 型号无外触发采集) | |
镜像翻转 | 水平镜像,垂直镜像 | |
I/O接口 | 1 路光耦隔离输入,1 路双向 GPIO (-L 型号不支持 I/O接口) | |
数据接口 | USB3.0 | |
供电要求 | USB3.0接口供电 | |
额定功率 | 1.18 W @ 5 VDC | |
工作温度 | 0° C ~ +45° C | |
存储温度 | -20°C ~ +70°C | |
工作湿度 | 10% ~ 80% | |
镜头接口 | C/CS | |
机械尺寸 | 29(W) ×29(H) × 29(L) mm(不含镜头接口和连接件) | |
重量 | ME2L-U3:47 g;ME2L-U3-L:44 g | |
软件 | 支持 HALCON,MERLIC,VisionPro,LabVIEW 等第三方软件 | |
操作系统 | 32bit / 64bit Windows,Linux,Android,ARMv7,ARMv8 | |
认证及标准 | CE,RoHS,FCC,ICES,UKCA,USB3 Vision®,GenICam® | |
IO接口

注:-L型号无IO接口,仅限ME2L-U3系列
机械尺寸

ME2L-042-121U3M/C

ME2L-042-121U3M/C-L